Low voltage motor protector
You are here: Home » Products » Power Monitoring and Protection » Smart Motor Protector » Low voltage motor protector

Low voltage motor protector

● Start timeout, overload, stall, block, underload, phase failure, unbalance, residual current (ground/leakage), temperature, external fault, phase sequence, overvoltage, undervoltage, underpower, overpower, tE time Motor comprehensive protection function
● 2 channels DI passive dry node input, signal power supply with built-in DC24V power supply;
● 4 channels DO output
● DC4-20mA analog output
Availability:
facebook sharing button
twitter sharing button
line sharing button
wechat sharing button
linkedin sharing button
pinterest sharing button
sharethis sharing button
  • ARD2L

  • ACREL

Product Description

Overview


Brand:Acrel Place of Origin:China Display:LCD


ARD2 smart motor protector can protect the motor during the running and provide the SOE fault event recorder. It is equipped with the RS485 remote communication interface and the DC4-20mA analog output, which is convenient to form a network system together with control machines like PLC and PC.


Product Description


HG9A9431

ARD2L Smart Motor Protector

Communication

RS485 (Modbus-RTU)


Display

LCD display for U, I, P, Q etc


Rated U and I

AC380/660V, rated current up to 800A


Auxiliary power supply

AC85V~265V/DC100V~350V



HG9A9735

Accuracy

U, I: Class 1.5


Frequency

Range: 45-65Hz


SOE event recorder

Record 8 fault messages


Installation:

1. Main body: DIN 35mm

2. Display unit: Panel mounted


Dimension(L*W*H):

96mm*78.5mm*48mm




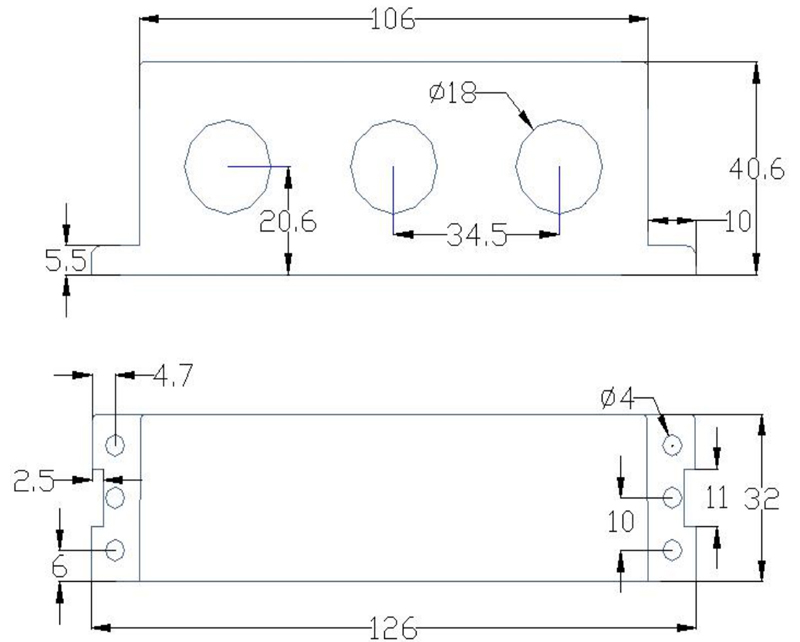
Parameter


Dimension

dimension互感器dimension


When install the meter, loosen the locking screw of the fixing bracket, remove the fixing bracket, insert the instrument into the mounting hole, install the fixing bracket and tighten the screw to make the instrument be firmly installed without loosening.Shape for clamp reed squeeze installation.

Parameter

Parameter Technical specification
Auxiliary power supply AC85-265V/DC100-300V,power consumption≤7VA
Rated voltage AC380V/660V,50Hz/60Hz
Rated current 1A(0.1-999.9A) Specific current transformer
5A(0.1-999.9A)
1.6A(0.4-1.6A)
6.3A(1.6-6.3A)
25A(6.3-25A)
100A(25-100A)
250A(63-250A)
800A(250-800A)

Relay output contactor

Rated negative capacity

4 channels,AC250V,3A
Switching input 2 channels,opto-coupler isolation
Communication Standard RS485(Modbus-RTU)
Option(choose one)

1 or 2 channels Profibus DPV1

1 channel Profinet

Ethernet(Modbus TCP)

Environment Operation temperature -10℃~+55℃
Storage temperature -20℃~+65℃
Relative humidity ≤95%(No condensation)
Altitude ≤2000m
Class of pollution Level 2
Protection level Main module IP20
Installation category Class III


Previous: 
Next: 

Product Category

QUICK LINKS

PRODUCT CATEGORIES

CONTACT US

  Phone:+86-18702109693
  Email: elena@acrel.cn
  Skype:elena@acrel.cn
  WhatsApp:+8618702109693
  Address: No. 253, Yulv Road, Jiading
       Zone, Shanghai, China
SEND US A MESSAGE
© 2003-2020 All Rights Reserved. Powered by Acrel    
Sitmap    丨    Support by sdzhidian