Medical Isolation Power Supply System
You are here: Home » Solutions » Solutions » Medical Isolation Power Supply System

Medical Isolation Power Supply System

Views: 53     Author: Elena     Publish Time: 2020-12-10      Origin: Site

Application

Medical IT system insulation monitoring device and fault location system is suitable for hospital operating room, ICU (CCU) and other important places, and can provide a safe place for such continuous, reliable power solutions.


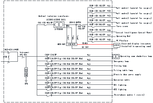
Structure

图片68

Main Function


1.Primary connection diagram and field distribution display

图片69



图片70



2.Real-time data acquisition and display

图片71

3.Fault Alarm

图片72

4.Remote parameter setting and inquiry

图片73

5.Graphic display

Display the insulation status, load status, and the isolation transformer temperature of each set of isolated power systems in graph form.



Product Selection

AITR

1.AITR Series Medical isolation transformer

·Isolating transformers for medical IT systems

·Double insulation treatment, Electrostatic shielding layer

·PT100 temperature sensor

·Rated power: 3.15…10KVA

·CE mark





互感器1

2.AKH-0.66P26

·The maximum measurable current is 60A

·The transformation change ratio is 2000/1

·Aperture:26mm



AIM-M200

3.AIM-M200 Medical Intelligent Insulation Monitor

·Insulation monitoring for medical IT systems

·Load and temperature monitoring of isolation transformer

·Device disconnection monitoring

·LED indicators: On, Insulation, Overload, Overtemp

·Alarm relay output

·Test button

·Insulation fault location

·RS485 (MODBUS-RTU) + CAN (custom protocol)





AID150

5.AID150 Alarm and Display Indicator

·Remote monitoring

·LED indicators:On, Insulation, Overload, Overtemp

·Mute button

·Test button

·Power supply: DC24V

·RS485,MODBUS-RTU




ACLP

6.ACLP10-24 DC Power Supply

·Power Supply to AID series

·AC 220V input, DC 24V output

·Completely Isolated Linear Transformer

·Power-on indicator



ASG150

7.ASG150 Signal Generator 

·Generating Fault Location Signal

·Detection of L1 and L2 disconnection

·LED indicators: On, Comm, L1, L2, Fault

·CAN bus, custom protocol

·Power supply: DC24V





AIL150-4-8

8.AIL150-4/-8 Insulation Fault Locator

·Insulation fault location in AC IT systems

·AIL150-4: 4 measuring channels 

·AIL150-8: 4 measuring channels

·LED indicators: On, Comm, L1…L8

·CAN bus, custom protocol

·Power supply: DC24V






Typical Solution


1.Four-piece set

图片74

2.Five-piece set

图片75

3.Seven-piece set

图片76

Photos on site
图片77



图片78



QUICK LINKS

PRODUCT CATEGORIES

CONTACT US

  Phone:+86-18702109693
  Email: elena@acrel.cn
  Skype:elena@acrel.cn
  WhatsApp:+8618702109693
  Address: No. 253, Yulv Road, Jiading
       Zone, Shanghai, China
SEND US A MESSAGE
© 2003-2020 All Rights Reserved. Powered by Acrel    
Sitmap    丨    Support by sdzhidian